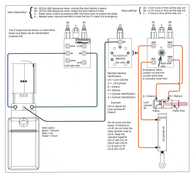
Hatches, Windows, & Access

We carry a variety of OEM hatches, windows, and access doors for your boat. We do not sell salvage or used items—only new parts left over from production runs by boat builders and other industry facilities. We regularly add new surplus inventory, so if you don't see the part number you're looking for, give us a call and we'll be happy to check our stock.

Skip to results list

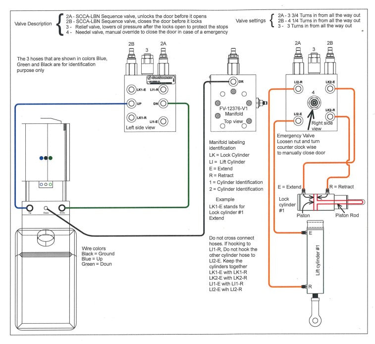
Hatches, Windows, & Access

We carry a variety of OEM hatches, windows, and access doors for your boat. We do not sell salvage or used items—only new parts left over from production runs by boat builders and other industry facilities. We regularly add new surplus inventory, so if you don't see the part number you're looking for, give us a call and we'll be happy to check our stock.

39 items
Column grid

Filters

Manufacturer / Brand
Column grid

Filter

Manufacturer / Brand